त्वरित लिंक
त्वरित संपर्क
पता
रूम 1920, बिल्डिंग 3, एक्सीलेंस सेंचुरी सेंटर, शिबे डिस्ट्रिक्ट, किंगदाओ, शेडोंग, चीन
दूरभाष:
86-133-7148-2686
हमारा समाचार पत्र
छूट और अधिक के लिए हमारे न्यूज़लेटर की सदस्यता लें।
18mtr हाई प्रेशर वेसल मरीन एयरबैगशिप लॉन्चिंग एयरबैग बोट लिफ्टिंग बैलोन शिप लैंडिंग रबर एयरबैग का परिचय शिप लैंडिंग रबर एयरबैग, जिसे मरीन एयरबैग, डॉकिंग एयरबैग, शिप लैंडिंग बैलून और मैरी एयरबैग के रूप में भी जाना जाता है, अब कुछ शिपयार्ड में जहाज लॉन्च करने का एक सुविधाजनक तरीका बन गया है, खासकर जहा...
शिप लैंडिंग रबर एयरबैग, जिसे मरीन एयरबैग, डॉकिंग एयरबैग, शिप लैंडिंग बैलून और मैरी एयरबैग के रूप में भी जाना जाता है, अब कुछ शिपयार्ड में जहाज लॉन्च करने का एक सुविधाजनक तरीका बन गया है, खासकर जहां कोई स्लिपवे नहीं है।वर्तमान में, इसका व्यापक रूप से जहाज लॉन्च करने, भारी वस्तु से निपटने और पानी के निस्तारण में उपयोग किया जाता है।

उत्पाद विवरण

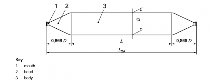
हमारे समुद्री रबड़ एयरबैग के कुछ सामान्य आकार, अनुकूलित आकार भी उपलब्ध हैं
| व्यास (एम) | प्रभावी लंबाई (एम) | परत | दबाव (एमपीए) |
| 1.0 | 10 | 5~6 | 0.07~0.10 |
| 1.0 | 12 | 5~6 | 0.07~0.10 |
| 1.0 | 15 | 5~6 | 0.07~0.10 |
| 1.2 | 10 | 5~6 | 0.08~0.12 |
| 1.2 | 12 | 5~6 | 0.08~0.12 |
| 1.2 | 15 | 5~6 | 0.08~0.12 |
| 1.5 | 12 | 5~8 | 0.08~0.16 |
| 1.5 | 15 | 5~8 | 0.08~0.16 |
| 1.5 | 18 | 5~8 | 0.08~0.16 |
| 1.5 | 20 | 4~8 | 0.08~0.16 |
| 1.5 | 24 | 5~8 | 0.08~0.16 |
| 1.8 | 12 | 5~8 | 0.08~0.15 |
| 1.8 | 15 | 5~8 | 0.08~0.15 |
| 1.8 | 18 | 5~8 | 0.08~0.15 |
| 1.8 | 20 | 5~8 | 0.08~0.15 |
| 1.8 | 24 | 5~8 | 0.08~0.15 |
| 2.0 | 18 | 6~10 | 0.08~0.18 |
| 2.0 | 20 | 6~10 | 0.08~0.18 |
| 2.0 | 24 | 6~10 | 0.08~0.18 |
| 2.5 | 18 | 7~10 | 0.07~0.13 |
| 2.5 | 20 | 7~10 | 0.07~0.13 |
| 2.5 | 24 | 7~10 | 0.07~0.13 |
1) बाहरी रबर परत
बाहरी रबर की परत जो नीचे की परतों को घर्षण और अन्य बाहरी ताकतों से बचाने के लिए समुद्री एयरबैग के बाहर को कवर करती है।इस यौगिक में किसी भी स्थिति और कठिन उपयोग का सामना करने के लिए पर्याप्त तन्यता और फाड़ शक्ति है।
2) आंतरिक रबड़ परत
भीतरी रबर की परत समुद्री एयरबैग के अंदर दबावयुक्त हवा को सील कर देती है।
3) सिंथेटिक-टायर-कॉर्ड परत सुदृढीकरण के रूप में
सुदृढीकरण कॉर्ड परतें, जो आमतौर पर टायरों में उपयोग किए जाने वाले सिंथेटिक-टायर-कॉर्ड से बनी होती हैं, आंतरिक दबाव को बनाए रखने और समान रूप से तनाव को वितरित करने के लिए आदर्श कोणों पर व्यवस्थित होती हैं।तो वे मजबूत कुशल सुदृढीकरण प्रदान कर सकते हैं।
हेंगर एयरबैग किसके साथ निर्मित होता है अद्वितीय इंटीग्रल ट्विनिंग तकनीक। ओवरलैप जॉइंट में सेकेंडरी सीम के साथ एयरबैग की दीवार की मोटाई एक समान है।ढलान और असमान जहाज पथ में लुढ़कते समय, लचीला एयरबैग संरचना तनाव और जहाज के लॉन्च जोखिम को कम करने में सहायक होता है।
भारी विरूपण घटना एयरबैग परतों के बीच प्रदूषण का कारण बनेगी, फिर और अधिक गंभीर दुर्घटनाओं का कारण बनेगी।
शिप लॉन्चिंग प्रक्रिया में ऐसी खतरनाक विकृति घटना हेंगर मरीन एयरबैग के साथ कभी नहीं हुई

शिप ड्राई डॉकिंग के लिए रबर एयरबैग की विशेषताएं
1. बड़ी वहन क्षमता
2. संपीड़न और घुमा के खिलाफ उच्च क्षमता
3. अंत में विरोधी फटने वाले निर्माण का नया डिजाइन
4. अनुकूलित संरचनात्मक लेआउट
5. टिकाऊ उम्र बढ़ने प्रतिरोध और विरोधी पहनने की विशेषता
6. उच्च लचीलापन और भिगोना क्षमता।
हमारे समुद्री एयरबैग की तकनीक
कुल मिलाकर घुमावदार, उच्च दबाव विरोधी विस्फोट
हमारी कंपनी ने नई समग्र घुमावदार तकनीक का आविष्कार किया।नई तकनीक हमारे समुद्री एयरबैग की अच्छी गुणवत्ता सुनिश्चित करती है, जो हमारे समुद्री एयरबैग को अधिक टिकाऊ और सुरक्षित बनाती है।